Welcome to Changzhou Kainar Electronic Co.,Ltd!
Home > Products > Classification by use > Lamps and lanterns
PRODUCTS
CONTACT US
WH12-2-K2-2
    • WH12-2-K2-2
    • WH12-2-K2-2
PRODUCT INFORMATION

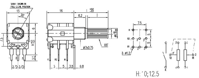
Outline Drawing

ELECTRICAL CHARACTERISTICS

Item

Item 

Specification 

1.1

Resistance value and tolerance of resistance 

    K ±20%

1.2

Load power

0.05 W

1.3

Rotational noise

47mV max

1.4

Insulation Resistance

>100MΩ  At  300V  DC

1.5

Withstanding Voltage

>1Minute   At  250V  AC

1.6

Max rated voltage 

50V AC

1.7

Tracking error

0~-40  dB±3 dB

1.8

Residual resistance                  

R1,2<10Ω; R2,3<10Ω

1.9

Switch contact resistance

0.05mΩ

1.10

Switch power

 12V1A 

MECHANICAL CHARACTERISTICS

2.1

Dimensions 

Refer to the separate product drawing

2.2

Total rotation angle

300±5°

2.3

Rotational Torque 

20~200gf.cm

2.4

Switch working angle

30±5°

2.5

Switch torque

50~300gf.cm

2.6

Shaft Push Pull Strength 

≥6kgf

2.7

Click slip-out force 


2.8

Shaft Wobble (mm p-p)

≤0.3mm

2.9

Shaft Stop Strength 

>5kg.cm

DURABILITY CHARACTERISTICS

3.1

Rotating life

10,000 cycles

3.2

Storage Temperature Range

-30℃~+80℃

3.3

Operation Temperature Range

-20℃~+70℃

3.4

Soldering Heat Characteristic

260°C/2.5±0.5S



INQUIRY NOW
Message *
Name *
Phone
Email *
Verification code *